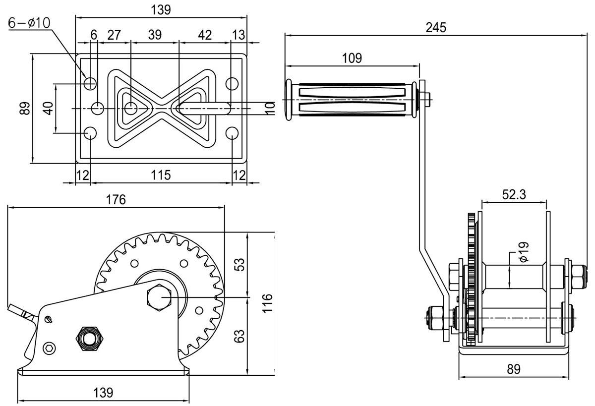
Tời tay HW-0600 là dòng tời kéo cơ khí chuyên dụng do Tiger Lifting sản xuất. Dùng cho nhiều mục đích công nghiệp và xây dựng. Tời có khả năng kéo tải trọng tối đa 270 kg. Đáp ứng tốt các công việc vừa và nhỏ như kéo hàng, căng cáp hoặc cố định vật nặng.
![]() |
![]() |
Kết cấu khung thép bền chắc. Tay quay gắn trực tiếp với bộ truyền động bánh răng. Giúp lực tác động nhẹ nhưng vẫn tạo ra sức kéo ổn định. HW-0600 có ở cơ cấu ngắt truyền động. Cho phép nhả cáp nhanh khi cần, tiết kiệm đáng kể thời gian thao tác.
Thiết kế gọn gàng và trọng lượng chỉ 2.2 kg giúp tời dễ dàng mang theo và lắp đặt tại nhiều vị trí khác nhau. Tay quay dài 175 mm, lực kéo yêu cầu chỉ 7 kg. Hạn chế mệt mỏi cho người sử dụng khi làm việc liên tục. Tang cuốn có khả năng chứa 28 mét cáp đường kính 4 mm. Phù hợp nhiều ứng dụng thực tế.
Mỗi tời tay HW-0600 đều kèm chứng chỉ kiểm định. Tuân thủ tiêu chuẩn an toàn châu Âu về máy móc. Với độ bền cao, khả năng hoạt động hiệu quả và tính linh hoạt.

Toàn bộ bề mặt được xử lý chống gỉ, đảm bảo vận hành ổn định trong dải nhiệt độ từ -40°C đến +80°C, thậm chí có phiên bản dùng được tới -60°C. HW-0600 phù hợp trong các xưởng sản xuất, công trình xây dựng, cảng bốc dỡ hay những nơi cần kéo – thả tải trọng nhẹ một cách an toàn và hiệu quả.
Be the first to review “Tời kéo tay HW-0600, tải trọng 270kg bánh răng có thể tháo rời”